Мы рады представить вам МТ7 поворотный привод солнечного трекера
Поворотный привод также именуемый поворотным механизмом или червячным редуктором в системе сильно снижает потребление энергии.
Помимо системы солнечной энергии, привод может используется для производства спец транспортных средств, тяжелых грузовиков, контейнерных кранов, автомобильных кранов и воздушных транспортных средств, кранов, козловых кранов, малых ветровых электростанций, космической связи, спутниковых ресиверов и так далее.
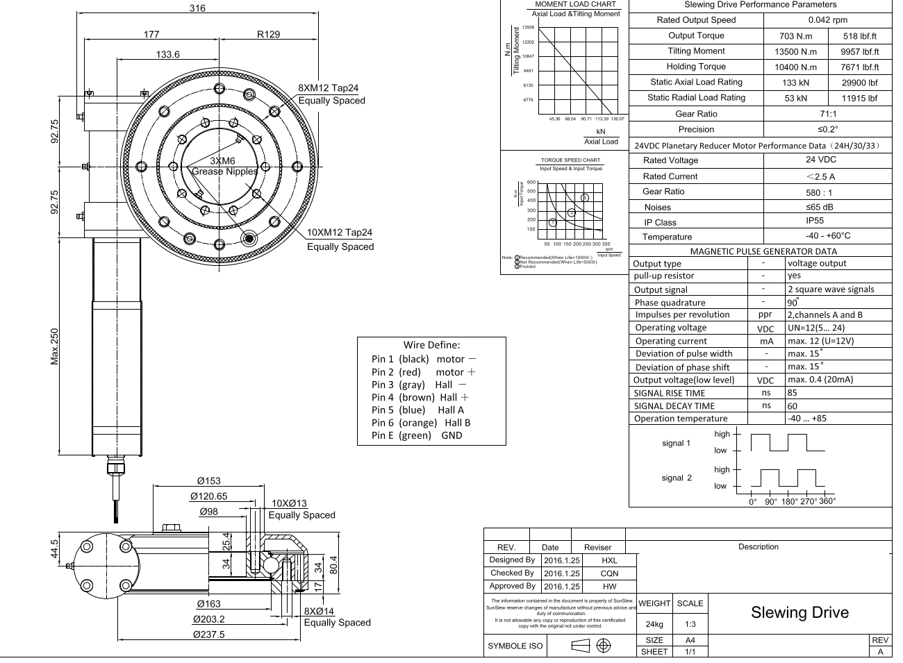
Принцип поворотного привода устроен на отношении устройства замедления для передачи движения и мощности между двумя осями, расположенными в шахматном порядке в пространстве. Передача поворотного привода обычно относится к основным компонентам червячных и колесных подшипников, корпуса и источника питания. В качестве основного компонента подшипников поворотного стола может выдерживать осевую нагрузку, радиальную нагрузку и момент опрокидывания. Конструкция поворотного привода можно разделить на две разные конструкции в соответствии с различными приложениями. а) Поворотный привод с малой нагрузкой б) Поворотный привод с большой нагрузкой. На борту МТ7 имеет 2 датчика Холла для обратной связи, а угол его поворота составляет 360 градусов. Работает МТ7 поворотный привод солнечного трекера от питания 24 вольта.
Характеристики: МТ7 поворотный привод солнечного трекера
